В работе представлено схемотехническое проектирование люминесцентного газоанализатора.
Определение функционала прибора
Исходя из полученных данных, для создание макетного образца нам потребуются следующие элементы:
— Микроконтроллер для обеспечения работы устройства
— Источник возбуждающего излучения
— Элемент способный регистрировать излучение люминесценции
— Элементы физического управления для удобства обращения с прибором
— Индикация для удобства считывания значения
— Порт для связи с ПЭВМ с целью вывода на него значений, программирования микроконтроллера и непосредственно для питания прибора.
Соответственно структурная схема прибора будет выглядеть следующим образом:
Рис. 1. Структурная схема прибора
Подбор комплектующих
Начнём с порта для нашего прибора, которым является micro USB. Несмотря на подавляющую популярность разъёмов type-c, данный разъём был выбран из-за простоты его пользования. Именно micro USB обеспечит нам питание и возможность программировать микроконтроллер при помощи персональной электронно-вычислительно машины (далее — ПЭВМ). Питание ограничим 5В и 500мА для удобства. Выбранные значения обусловлены возможностью по сей день очень распространённого и в тоже время самого простого USB TYPE-A 2.0. Необходимо это для того, чтобы не использовать дополнительный порт для прибора при подключении к ПЭВМ.
В качестве микроконтроллера выбор пал на популярный STM32F103CBT6.
Далее приступим к подбору элемента регистрации интенсивности излучения люминофора. На эту роль отлично подойдёт отечественный ФД-263.
Следующим элементом электрической схемы будет выступать источник возбуждающего излучения, а именно светодиод синего цвета с длиной волны ~450нм. На эту роль отлично подходит TO-1608BC-BF. К его свойствам можно отнести прозрачную линзу из эпоксидной смолы, что дает более четкий и направленный луч света, прямое напряжение ~2.8–3.4В, прямой ток 20мА, и наконец длина волны ~ 465–470нм, что со всеми перечисленными свойствами вкупе делает его достойным источником возбуждающего излучения для нашей схемы.
Исходя из требований к функционалу прибора и предварительно подобранных комплектующих, необходимо добавить дополнительные элементы. Начнём с самовосстанавливающего предохранителя с максимальным током 500мА. Он не допустит подачи большего тока в схему, что может произойти при подключении прибора к блоку питания с избыточной мощностью. Затем, для того, чтобы преобразовывать данные с USB в UART необходим преобразователь интерфейсов, в работе был выбран CH340C. Его преимуществами являются наличие встроенного кварца, который обеспечивает стабильность синхронизации данных, и его форм-фактор чипа SOP-16, который позволяет его включить в состав платы прибора, в отличие от других преобразователей, что комплектуются сразу на плате в форм-факторе USB-flash.
Помимо прочего, для увеличения очень маленького тока, выдаваемого светодиодом необходим операционный усилитель. Отличным вариантом является MCP6001, который может похвалиться своим малым потреблением и выделением тепла.
Теперь возникает вопрос, как нам питать данный усилитель и логические элементы прибора. На эту роль замечательно подходит отечественный стабилизатор напряжения КР1158ЕН3,3В, что понизит напряжение да логических 3,3В и стабилизирует ток.
Далее, для управления разрядами необходимы логические элементы, так как питание напрямую от контроллера невозможно из-за опасности перегрузки по току и банальной нехватки незадействованных контактов МК. Для решения этой проблемы были выбраны три счётчика CD4026BE.
Далее, для управления общими анодами индикатора необходимо использовать полевые n-канальные транзисторы в силу того, что напряжение 3,3В, выдаваемое контроллером слишком мало для индикатора. Логический сигнал от микроконтроллера будет открывать транзистор, а он в свою очередь будет пропускать через себя 5В. Транзистор также необходим для управления интенсивностью свечения светодиода.
Схемотехническое проектирование было начато с создания условно-графических изображений для каждого элемента, включая конденсаторы и резисторы, которые служат дополнительной обвязкой для ограничения тока, задания сопротивления базы, формирования обратной связи, фильтрации тока и т. д.
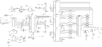
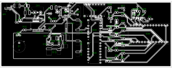
После чего было произведено подключение элементов согласно их техническим требованиям и создание платы. Подробнее ознакомится с внешним видом платы и принципиальной схемы можно на Рис. 2, Рис. 3, Рис. 4 и Рис. 5.
Рис. 2. Принципиальная схема прибора
Рис. 3. Верхний слой платы прибора
Рис. 3. Внутренний слой платы прибора
Рис. 4. Внутренний слой платы прибора
Литература:
- Проектирование оптико-электронных приборов. Учебник. Под ред. Ю. Г. Якушенкова. — М.: Логос, 2000. — 488 с.
- Якушенков Ю. Г. Теория и расчет оптико-электронных приборов [Текст]: учебник для вузов / Ю. Г. Якушенков. — 5-е изд., перераб. и доп. — М.: Логос, 2004. — 472 с.
- Датчики: справочное пособие / В. М. Шарапов, Е. С. Полищук, Н. Д. Кошевой, Г. Г. Ишанин. — Москва: Техносфера, 2012. — 624 с. — ISBN 978–5–94836–316–5. Текст: электронный // Лань: электронно-библиотечная система. URL: https://e.lanbook.com/book/73560.
- Горелик Д. О., Конопелько Л. А., Панков Э. Д. Экологический мониторинг. Оптико-электронные приборы и системы. Учебник в 2-х томах. — СПб, 1998. Т. 1–735 с; Т. 2–592 с.
- Чернин, С. М. Многоходовые системы в оптике и спектроскопии / Чернин С. М. — Москва: ФИЗМАТЛИТ, 2010. — 240 с. — ISBN 978–5–9221–1221–5. — Текст: электронный // ЭБС «Консультант студента»: URL: https://prior.studentlibrary.ru/book/ISBN9785922112215.html

