Современные промышленные технологические процессы, такие как обжиг окатышей в металлургии, предъявляют высокие требования к точности и надежности систем контроля газовых сред [1]. Ключевую роль в обеспечении безопасной и экономичной эксплуатации обжиговых машин играет непрерывный мониторинг содержания кислорода ( О₂ ) в забалластированном воздухе — смеси атмосферного воздуха и рециркулирующих продуктов сгорания. Подача необработанной технологической пробы, содержащей механические примеси, пары влаги и имеющей нестабильные параметры температуры и давления, непосредственно в газоанализатор приводит к значительным погрешностям измерения, загрязнению чувствительных элементов и преждевременному выходу оборудования из строя [2]. Таким образом, проектирование СПП является критически важным этапом создания любого КГО. Целью данной работы является систематизация подходов и описание практических решений по проектированию СПП на примере разработки КГО для контроля кислорода.
Исходными данными для проектирования служили основные требования технического задания:
- Анализируемый компонент: Кислород ( О₂ ), 0–21 % об.д.
- Состав среды: Забалластированный воздух.
- Необходимость пробоподготовки: Обязательная (наличие пыли, влаги).
- Категория места отбора: Взрывобезопасная.
Выбор термомагнитного метода измерения (газоанализатор ГАММА-100) обусловил особое требование к глубокой осушке пробы, так как пары воды существенно влияют на магнитные свойства среды и могут конденсироваться в измерительной ячейке. На основе системного подхода был сформирован состав СПП, охватывающий полный цикл обработки пробы (таблица 1).
Таблица 1
Состав модуля пробоподготовки в КГО
|
№ п/п |
Наименование оборудования |
Назначение |
|
1 |
Фильтр грубой очистки |
Улавливание частиц размером > 50 мкм |
|
2 |
Фильтр тонкой очистки |
Улавливание аэрозолей и частиц размером 0.3–1 мкм |
|
3 |
Холодильник воздушный |
Пассивное предварительное охлаждение пробы |
|
4 |
Термохолодильник ТХ-410 |
Активное охлаждение до точки росы (+4°C), конденсация и удаление влаги |
|
5 |
Перистальтический насос (ПН) |
Откачка образовавшегося конденсата из дренажа холодильников |
|
6 |
Побудитель расхода ПР-9 |
Создание и поддержание стабильного потока пробы |
|
7 |
Регулировочные вентили и ротаметр |
Точная настройка и визуальный контроль рабочего расхода (0.9±0.1 дм³/мин) |
|
8 |
Кран трехходовой |
Переключение потока с технологической пробы на линию калибровки (ГСО) |
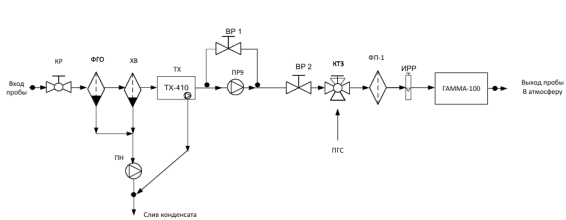
На основе определенного состава оборудования была разработана схема пневматических газовых соединений, представленная на рисунке 1. Технологический тракт организован по линейной схеме с рециркуляцией пробы и реализует следующие этапы:
Отбор и первичная очистка: Проба через взрывозащищенный шаровой кран поступает на фильтр грубой очистки.
Двухступенчатое охлаждение и осушка: Последовательное прохождение через воздушный холодильник (ХВ) и термохолодильник (ТХ). Это решение позволяет снизить нагрузку на ТХ-410 и гарантированно достичь температуры точки росы, необходимой для конденсации основной массы паров воды. Конденсат отводится перистальтическим насосом.
Стабилизация потока: подготовленная проба с помощью побудителя расхода и регулировочных вентилей подается с требуемым потоком.
Тонкая очистка и измерение: перед подачей в газоанализатор ГАММА-100 проба проходит фильтр тонкой очистки. После анализа газ сбрасывается в безопасную зону.
В схему интегрирована параллельная линия калибровки через трехходовой кран. Это позволяет подавать поверочные газовые смеси (ПГС) непосредственно к газоанализатору, минуя систему пробоподготовки.
Рис. 1. Схема пневматических соединений
Термохолодильник ТХ-410 выбран как активный элемент осушки. Его использование обусловлено требованием поддержания температуры пробы на входе газоанализатора ниже точки росы, что исключает конденсацию влаги в термомагнитной ячейке и обеспечивает заявленную погрешность измерения ±2.5 % для диапазона 0–21 % О₂.
Перистальтический насос для откачки конденсата обеспечивает чистоту процесса (отсутствие контакта среды с механическими частями насоса) и точное дозирование.
Дублирование источников потока (ПР-9 и ПН) повышает надежность системы. Их включение в схему осуществляется через реле времени с задержкой, что гарантирует выход термохолодильника на рабочий режим до начала прокачки пробы.
Литература:
- Вартанов А. З., Рубан А. Д., Шкуратник В. Л. Методы и приборы контроля окружающей среды и экологический мониторинг. М.: Горная книга, 2009.
- ГОСТ Р 52931–2008. Приборы контрольно-измерительные. Общие технические условия.

