Описана разработанная лабораторная работа, посвященная преобразованию звука в электрические сигналы. Предложенная лабораторная работа может быть использована для самостоятельного изучения дисциплины «Электроника», а также для закрепления практических навыков школьников в области изучении методов создания электронных устройств.
Ключевые слова: лабораторная работа, электроника, беспаечная макетная плата, резистор, конденсатор, светодиод, транзистор, микрофон.
Работа выполнена по направлениям «Проектная деятельность» и «Микро- и наноэлектроника» в рамках создания и функционирования центра цифрового образования детей «ИнфинITи» (на базе ГБОУ СОШ № 435 Курортного района Санкт-Петербурга), созданного Комитетом по образованию Санкт-Петербурга в рамках регионального и федерального проектов «Цифровая образовательная среда» национального проекта «Образование».
Цель лабораторной работы : изучить преобразование громкого звука, улавливаемого микрофоном, в электрические сигналы, отражающиеся в мигании светодиодов.
Приборы, электронные компоненты: солевая батарейка Крона 9 В, Т-образный разъем для батарейки Крона, беспаечная макетная плата, соединительные провода (или гибкие перемычки), полярный конденсатор емкостью 1 мкФ, два металлопленочных резистора номиналом 10 кОм, металлопленочный резистор номиналом 1МОм, два биполярных транзистора, два светодиода, электретный микрофон.
Основные понятия и определения:
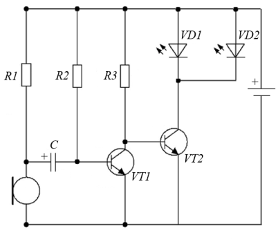
На рис. 1 приведена принципиальная электрическая схема, позволяющая преобразовывать звук, уловленный с помощью электретного микрофона, в электрические сигналы. Эти сигналы проходят через конденсатор С емкостью 1 мкФ и попадают на базу первого биполярного транзистора VT1 , усиливающий сигнал от микрофона и подающий его на базу второго биполярного транзистора VT2 , который управляет двумя светодиодами VD1 и VD2.
Рис. 1. Принципиальная электрическая схема
Беспаечная макетная плата применяется для соединения деталей между собой и удержания их на своих местах. Резистор используется для деления или уменьшения напряжения, управления силой тока. Конденсатор — это компонент, способный накапливать и отдавать электричество. Чем больше емкость конденсатора, тем больше энергии в нем можно накопить. Полярный конденсатор работает без повреждения при определённой приложенной к пластинам конденсатора полярности напряжения. Электретный микрофонявляется одной из разновидностей конденсаторных микрофонов и используются в мобильных телефонах, компьютерах, домофонах, в качестве студийных микрофонов и измерителей уровня звука. Конденсаторные микрофоны улавливают звук за счёт тонкой мембраны, выполненной из токопроводящего материала и располагающейся параллельно неподвижной металлической пластины (называемой постоянным электродом), совместно с которой образует обкладку конденсатора. В результате колебаний мембраны изменяется емкость конденсатора, что сопровождается образованием электрических импульсов. Светодиод — полупроводниковый прибор, преобразующий ток в световое излучение. Биполярный транзистор — это полупроводниковый прибор, состоящий из трех областей: эмиттера, базы и коллектора и используемый для усиления и переключения сигналов в электронных схемах.
На рис. 2 изображена монтажная электрическая схема.
|
|
|
|
|
|
|
Рис. 2. Монтажная электрическая схема | |
Таблица 1
Расположение контактных разъёмов (отверстий) на беспаечной макетной плате для подключения используемых в схеме электронных компонентов (где «+» — положительная (красная) шина питания, «–» — отрицательная (голубая) шина питания)
|
Электронные компоненты |
Цифробуквенное обозначение контактных разъемов | ||
|
для первого вывода |
для второго вывода |
для третьего вывода | |
|
светодиоды |
a10 |
a9 (длинная ножка) |
- |
|
d10 |
d9 (длинная ножка) |
- | |
|
транзисторы |
a21 |
a20 |
a19 |
|
a16 |
a15 |
a14 | |
|
конденсатор |
с28 |
с24 |
- |
|
резистор 10 кОм |
b28 |
«+»26 |
- |
|
b21 |
«+»24 |
- | |
|
резистор 1 МОм |
b24 |
«+»25 |
- |
|
микрофон |
«–»28 |
а28 |
- |
|
соединительные провода |
d24 |
d20 |
- |
|
b19 |
«–»19 |
- | |
|
с21 |
с15 |
- | |
|
b16 |
с10 |
- | |
|
b14 |
«–»15 |
- | |
|
с9 |
«+»9 |
- | |
Задания по лабораторной работе:
- собрать электрическую схему на беспаечной макетной плате, используя принципиальную электрическую схему (рис. 1), монтажную электрическую схему (рис. 2) и таблицу 1, в которой приведено расположение контактных разъёмов (точек) для подключения используемых в схеме электронных компонентов (нужно помнить, что конденсатор, биполярные транзисторы и светодиоды — это полярные компоненты, которые нужно подключать, соблюдая полярность; нужно следить, чтобы ножки компонентов не соприкасались);
- протестировать собранную схему, используя, например, хлопки, громкую и тихую речь, произношение слов по слогам и т. д.;
- изменить цвет светодиодов;
- подключить в электрическую схему еще несколько светодиодов, включенных параллельно;
- оформить отчет по лабораторной работе, включающий цель работы, основные определения, принципиальную электрическую схему, выводы о проделанной работе.
Литература:
- Материалы электронной техники: лабораторный практикум / под ред. А. В. Соломонова. СПб: Изд-во СПбГЭТУ «ЛЭТИ», 2017. 84 с.
- Лабораторные работы по дисциплине «Электротехника и электроника. Постоянный ток»: методические указания / С. Г. Новиков, Е. В. Лычагин, А. С. Кадочкин. Ульяновск: УлГУ, 2012. 46 с.
- Лабораторный практикум по курсу «Электротехника и электроника»: Учебное пособие. / А. Б. Воронов, М. А. Сухова, Е. М. Мигунова, Д. В. Поплавская. М.: НИЯУ МИФИ, 2012. 240 с.
- Электроника. Лабораторный практикум: учебное пособие для вузов / В. А. Матвиенко. Екатеринбург: УМЦ УПИ, 2015. 147 с.

