Компенсация реактивной мощности может осуществляться отдельными устройствами — компенсаторами или изменением режима работы устройств, имеющих другую основную функцию (в этом случае говорят об улучшении энергетических показателей систем). При использовании отдельных компенсаторов в зависимости от места их расположения можно выделить следующие виды (см. рисунок 1) [1]:
– Индивидуальные компенсаторы — устройства, работающие непосредственно с приемником, потребляющим из сети реактивную мощность и мощность искажения. При полной компенсации приемник и устройство компенсации представляют для питающей сети активную нагрузку. Однако при отключенном потребителе компенсирующие устройства также не используются, что является главным недостатком индивидуальной компенсации. Такой вид компенсации лучше всего применять для компенсации мощности искажения приемников с нелинейными характеристиками.
– Групповые и централизованные компенсаторы — устройства компенсации используются независимо от работы отдельных потребителей. Для реализации компенсаций этих видов требуется дополнительная аппаратура — коммутационная и защитная. Кроме того, компенсирующие устройства должны обеспечивать достаточный диапазон компенсации реактивной мощности.
Рис. 1. Виды компенсации
Методы компенсации реактивной мощности можно разделить на две группы: без применения вентильных преобразователей и с применением вентильных преобразователей. Далее рассматриваются компенсаторы без применения вентильных преобразователей.
Компенсация с помощью силовых конденсаторов на стороне переменного тока [2, 3] . Данный метод используется если степень влияние устройства, потребляющее реактивную энергию на питающую сеть достаточно велико (см. рисунок 2).
Достоинства:
– возможность их установки в любой точке сети;
– легкость создания и возможность дальнейшего увеличения генерируемой реактивной мощности;
– небольшие потери активной мощности (в случае неискаженной формы токов и напряжений);
– простой монтаж.
Рис. 2. Емкостный компенсатор
Недостатки:
– емкость компенсирующих конденсаторов совместно с индуктивностью питающей сети образуют параллельный колебательный контур и поскольку нелинейные устройства обуславливают появление в сетевом токе высших гармоник, то существует вероятность совпадения собственной резонансной частоты параллельного колебательного контура с частотой одной из гармоник тока и ток этой гармонической возрастает и вследствие этого искажения сетевого напряжения могут превысить допустимые значения;
– при использовании механических коммутаторов для подключения конденсаторных секции наблюдается ступенчатость регулирования мощности, а также малая надежность и быстродействие;
– возможность возникновения ударных сверхтоков, зависящих от момента подключения батареи конденсаторов к питающей сети.
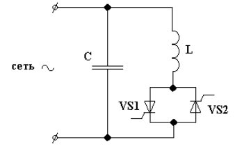
Для плавного регулирования емкости можно совместно с компенсирующими конденсаторами применить тиристорный коммутатор переменного тока.
Компенсация с помощью резонансных контуров [4, 5]. Использование компенсирующих конденсаторов весьма ограничено по вышеупомянутой причине. Ситуацию можно существенно улучшить, включив конденсатор в состав контура с резонансом напряжения, для чего необходимо последовательно с конденсатором включить реактор с индуктивностью, настроенный на определенную частоту гармонической. Для большего эффекта можно использовать несколько LC-цепей (см. рисунок 3).
Рис. 3. Компенсация с помощью резонансных контуров
Компенсация с помощью синхронных компенсаторов [5]. Синхронные компенсаторы являются синхронными двигателями облегченной конструкции без нагрузки на валу. Они могут работать как в режиме генерации реактивной мощности (при перевозбуждении компенсатора), так и в режиме ее потребления (при невозбуждении компенсатора). Изменение потребляемой или генерируемой реактивной мощности осуществляется изменением его возбуждения. Недостатки использования синхронных компенсаторов- удорожание и усложнение эксплуатации (например, по сравнению с конденсаторными батареями) и значительный шум во время работы, а также большое время переходного процесса (0,1–2 с). Достоинства- возможность плавного и автоматического регулирования, независимость генерации реактивной мощности от напряжения на их шинах, достаточная термическая и динамическая стойкость обмоток компенсатора во время короткого замыкания. Компенсация реактивной мощности с помощью синхронных компенсаторов выгодна, когда они работают в режиме двигателей, совершая при этом полезную работу.
Литература:
1. Супрунович Г. Улучшение коэффициента мощности преобразовательных установок / Г. Супрунович — М.: Энергоатомиздат, 1985–136 с.
2. Энергетическая электроника: Справочное пособие: Пер. с нем. / Под. ред. В. А. Лабунцова. — М.: Энергоатомиздат, 1987–484 с.
3. Розанов Ю. К. Основы силовой преобразовательной техники / Ю. К. Розанов — М.: Энергия, 1979–392 с.
4. Розанов Ю. К. Полупроводниковые преобразователи со звеном повышенной частоты / Ю. К. Розанов — М.: Энергоатомиздат, 1987–184 с.
5. Кабышев А. В. Компенсация реактивной мощности в электроустановках промышленных предприятий: учебное пособие / А. В. Кабышев. Томский политехнический университет. — Томск: Изд-во Томского политехнического университета, 2012. — 234 с.

